负载电池,4英尺GydF4y2Ba
位置:胫骨,上部GydF4y2Ba
技术说明GydF4y2Ba
所施加的力会导致基体的压缩或应变。使用应变计测量变形。多应变量规的接线为完整的桥电路弥补了对零信号的温度影响以及其他力和扭矩施加的交叉影响。GydF4y2Ba
力方向GydF4y2Ba
FX,FZ,MX,我GydF4y2Ba
应用GydF4y2Ba
H3-5%,H3-50%,H3-95%GydF4y2Ba
FAAGydF4y2Ba
生物剂GydF4y2Ba
等效类型GydF4y2Ba
丹顿:3115GydF4y2Ba
FTSS:IF-820GydF4y2Ba
测量规范GydF4y2Ba
电阻GydF4y2Ba
应变计GydF4y2Ba
选项GydF4y2Ba
集成在传感器中的ID模块GydF4y2Ba
根据SAE J211的极性GydF4y2Ba
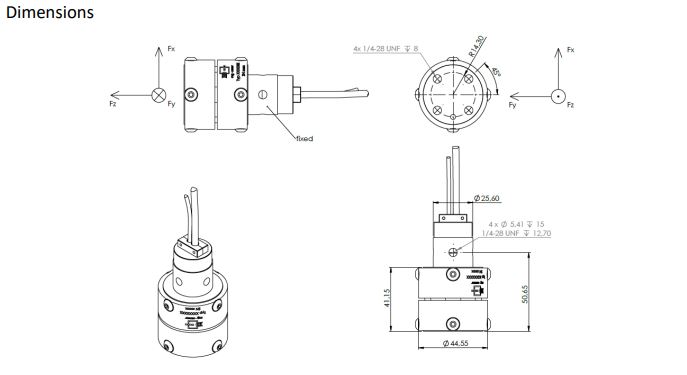
技术规格GydF4y2Ba
| 单元GydF4y2Ba | 价值GydF4y2Ba |
||||
FGydF4y2BaXGydF4y2Ba |
FGydF4y2BazGydF4y2Ba |
mGydF4y2BaXGydF4y2Ba |
mGydF4y2BayGydF4y2Ba |
||
| 测量范围GydF4y2Ba | knGydF4y2Ba nmGydF4y2Ba |
11.1GydF4y2Ba |
11.1GydF4y2Ba |
396GydF4y2Ba |
396GydF4y2Ba |
| 灵敏度1)GydF4y2Ba | µV/v/knGydF4y2Ba µV/v/nmGydF4y2Ba |
180GydF4y2Ba |
90GydF4y2Ba |
7.6GydF4y2Ba |
7.6GydF4y2Ba |
| 输出信号1),2)GydF4y2Ba | mv/vGydF4y2Ba | 2.0GydF4y2Ba |
1.0GydF4y2Ba |
3.0GydF4y2Ba |
3.0GydF4y2Ba |
| 桥阻力GydF4y2Ba | ωGydF4y2Ba | 350GydF4y2Ba |
700GydF4y2Ba |
350GydF4y2Ba |
350GydF4y2Ba |
| 零信号1)GydF4y2Ba | mv/vGydF4y2Ba | ≤0.05GydF4y2Ba | |||
| 振幅非线性3)GydF4y2Ba | %GydF4y2Ba | ≤1.0GydF4y2Ba | |||
| 滞后3)GydF4y2Ba | %GydF4y2Ba | ≤1.0GydF4y2Ba | |||
| 频道越野谈话3)GydF4y2Ba | %GydF4y2Ba | ≤5.0GydF4y2Ba | |||
| 电源电压GydF4y2Ba | vGydF4y2Ba | 2–15GydF4y2Ba | |||
| 终极负载GydF4y2Ba | %GydF4y2Ba | 150GydF4y2Ba | |||
| 绝缘电阻GydF4y2Ba | MΩGydF4y2Ba | > 100GydF4y2Ba | |||
| 温度范围GydF4y2Ba | °CGydF4y2Ba | -30…+70GydF4y2Ba | |||
| 重量(近似)GydF4y2Ba | GGydF4y2Ba | 500GydF4y2Ba | |||
所有在10 V传感器电源电压和23°C下测量的值。GydF4y2Ba
1)典型价值GydF4y2Ba
2)在名义负载下GydF4y2Ba
3)相对名义范围GydF4y2Ba

| 温度范围GydF4y2Ba | °CGydF4y2Ba | -30…+70GydF4y2Ba |





